Indice
Seconda prova 2023-2024
Qui il testo della prova.
Si tratta di una prova tutto sommato facile. Non c'è il condizionamento di segnale ma c'è il dimensionamento di un MAT e qualcosa sugli impianti industriali che negli anni passati non capitava quasi mai.
Esame del testo della prima parte
Ci sono molte informazioni che non saranno utili ai fini della soluzione della prova, ad esempio:
- la rotazione dei satelliti
- il pannello operatore
- il peso dei pezzi caricati
E' necessario fare delle ipotesi, ad esempio:
- si usa il fronte di discesa della fotocellula per contare i pezzi
- l'apertura della porta è gestita da un solo segnale che, se disattivato, provoca la chiusura della porta
- la lampada di segnalazione si accende al prelievo del trentaduesimo pezzo (otto pezzi per quattro satelliti)
- la camera è stagna e, una volta raggiunta la pressione desiderata, non serve mantenere attiva la pompa a vuoto
- spegnendo il riscaldatore la pressione torna al valore di 1×10-4 mBar
- il rendimento del motore non è importante ai fini del dimensionamento del MAT
- si considera il valore di 40 rpm per il dimensionamento del MAT
- per ritornare al passo iniziale ipotizziamo che l'operatore prelevi i pezzi e poi prema P3 per chiudere la porta e tornare a P0 (in realtà dovrei prelevare 32 pezzi, quindi far ruotare la tavola fino all'attivazione del finecorsa e prelevare i pezzi per gli altri tre satelliti; nel testo non è descritta questa fase e per semplicità possiamo descriverla a parole)
Ingressi, uscite e altri segnali
INGRESSI DIGITALI
- P1 avvio nastro carico NA
- P2 rotazione tavola NA
- P3 chiusura portello NA
- FTC_C fotocellula carico NA
- FC_SAT finecorsa satellite NC
USCITE DIGITALI
- N_C motore nastro di carico
- PORTA cilindro pneumatico porta (porta aperta finché attivo)
- M_TAV motore rotazione tavola
- H1 lampada satelliti caricati
- M_P motore pompa a vuoto
- RIS riscaldatore filamento Al
INGRESSI ANALOGICI
Per la pressione viene usato un sensore Pirani con uscita logaritmica. Il calcolo dei valori di tensione corrispondenti alle soglie di pressione è facile e non è necessario condizionare il segnale visto che l'uscita è tra 0,5 e 8,5V e gli ingressi analogici dei PLC sono tipicamente tra 0 e 10V.
TIMER E CONTATORI
- TON1 parte con pressione > 5% rispetto a vuoto, PT = 5 minuti
- CTU1 conta pezzi su un satellite, CU = FRONTE N di FTC_C, PV = 8, R = FC_SAT
- CTU2 conta i satelliti, CU = FC_SAT, PV = 4, R = P3
Punto A
La potenza richiesta all'albero del riduttore si calcola come coppia per velocità di rotazione:
`P=C cdot omega=C cdot {n dot 2 pi}/{60}= {130 cdot 40 cdot 2 pi}/60 ~=550W`
Il rapporto di riduzione si ottiene procedendo per tentativi considerando la velocità dei tre gruppi di motori (da sei, quattro e due poli) e dividendo per la velocità richiesta in uscita (40 rpm). Per il primo gruppo vale:
`i = 950/40~=24`
Dalla tabella dei riduttori si ottiene il rendimento corrispondente al rapporto di riduzione più vicino. Ad esempio con i=25 risulta ƞ = 44%. Si calcola la potenza minima richiesta al motore come rapporto tra la potenza all'albero del riduttore e il rendimento del riduttore quindi:
`P_m = 55/0.44~=1200 W`
Quindi si sceglie un motore con potenza nominale superiore al valore calcolato: il motore 3 o il quattro.
Punto B
Il testo riporta una figura con uno schema di potenza e uno di comando del motore. Si può partire da quello prevedento le solite protezioni impiegate nell'azionamento dei motori (relè termico, magnetotermico, differenziale a monte, ecc.). Per il PLC si fa il solito disegno che evidenza ingressi e uscite.
Punto C
Il diagramma SFC che rappresenta l'algoritmo di gestione della macchina potrebbe essere il seguente. Il testo non dice cosa succede quando termina il ciclo; qui si suppone che porta si apra e si attende la pressione di P3 per chiuderla e tornare al passo P0.
Punto D
Si ipotizza che KA sia in contatto normalmente chiuso di guasto dell'inverter. La parte evidenziata è la classica marcia arresto di MAT dove:
- T1 è un trasformatore che fornisce un sistema ausiliario di tensione a 24V AC
- K1 attiva l'inverter invece che direttamente il motore
- S2 è un pulsante di emergenza fungo e S1 un pulsante di attivazione dell'inverter
- KA interrompe l'autoritenuta nel caso di un guasto nell'inverter
- C1 e R1 costituiscono uno smorzatore che attenua le eventuali sovratensioni induttive dovute alla commutazione della corrente nella bobina K1 (non si può usare un diodo di libera circolazione in alternata)
Dall'esame del grafico si deduce che:
- i due estremi del range di velocità sono 20 e 30 rpm che corrispondono rispettivamente al 50% e al 75% della velocità nominale (40 rpm)
- per ottenere queste due velocità occorre fornire al MAT un sistema trifase a 25Hz e 37,5Hz (semper il 50% e 75% della frequenza nominale che è 50Hz)
- i corrispondenti valori del riferimento in tensione da fornire all'inverter saranno il 50% e 75% dei 10 Volt che danno 50 Hz, cioè 5V e 7,5V
Seconda parte
Quesito 1
Il quesito uno è apparentemente un quesito di robotica. In realtà basta fare qualche considerazione su quale robot utilizzare (uno SCARA forse è la scelta più adatta) e calcolare di conseguenza le dimensione dei bracci.
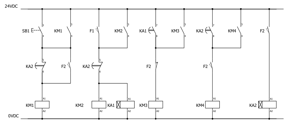
Quesito 2
Si tratta di completare uno schema funzionale a partire da un diagramma temporale. Mancano un temporizzatore e due contattori. Non è complicato, basta riflettere un po' e cercare i simboli nel manuale del perito.
In figura possibile soluzione (qui il sorgente QElectroTech e il PDF generato).
Quesito 3
Si copia dal manuale del perito perché l'argomento non lo trattiamo di solito.
Quesito 4
Si possono scrivere delle considerazioni generali sulle motivazioni, i vantaggi e gli svantaggi dei sensori con uscita in corrente. Per l'interfacciamento si disegna il convertitore corrente tensione già visto per condizionare il sensore di temperatura AD590.


