Questa è una vecchia versione del documento!
Indice
Encoder rotativi meccanici
Cosa sono
Usati per il comando di manopole al posto dei potenziometri. Differenze principali:
- hanno una cosa senza fine
- generano un segnale digitale invece che analogico
- possono avere maggiore precisione e uniformità nel funzionamento
Al loro interno sono presenti due contatti striscianti e un disco che ruota solidalmente con l'albero/manopola con una serie di zone conduttive e isolanti che si alternano. Durante la rotazione i due contatti si aprono e chiudono generando due segnali rettangolari in quadratura. Da questi è possibile risalire a:
- velocità, contando gli impulsi per giro
- posizione relativa, contando gli impulsi
- verso di rotazione, osservando quale dei due segnali è in anticipo rispetto all'altro
Le caratteristiche principali sono:
- numero impulsi per giro
- eventuale presenza di un ulteriore contatto azionato dalla pressione lungo l'asse della manopola
- movimento “a scatti” per dare un feedback a chi aziona l'encoder
Differenze rispetto agli encoder ottici
Principali differenze rispetto agli encoder ottici:
- sono meno costosi
- non richiedono una tensione di alimentazione fissa
- hanno minore risoluzione
- hanno minore affidabilità e durata nel tempo dovuta ad attrito e usura
- richiedono circuiti antirimbalzo
Circuiti antirimbalzo per encoder meccanici
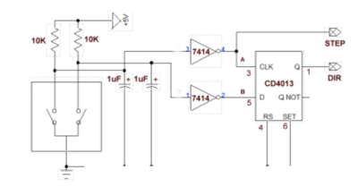
La figura seguente mostra un circuito antirimbalzo per encoder.
Osserviamo che:
- l'encoder è costituito dai due contatti e contiene al suo interno le due resistenze di pull-up
- i due condensatori formano un gruppo RC con le resistenze di pull-up e impediscono brusche variazioni della tensione ai contatti (il valore di R e C va scelto in modo da avere una costante di tempo comparabile con il tempo di rimbalzo dei contatti dell'encoder)
- le porte NOT triggerate squadrano (e invertono) il segnale presente ai contatti; questo è necessario perché i condensatori eliminano i rimbalzi ma introducono dei transitori nei fronti di salita e discesa del segnale
- il flip-flop D viene usato per generare un segnale alto o basso in funzione del verso di rotazione
Nell'immagine sotto un circuito montato seguendo lo schema proposto sopra. I condensatori sono da 220nF e due LED segnalano il verso di rotazione (giallo) e gli impulsi dell'encode (rosso).
Risorse
- paragrafo 5 unità 14-1 sul libro di testo
- Guida agli encoder di un produttore
- simulazione Multisim con circuito antirimbalzo
Navigazione
Torna all'indice.


