encoder
Questa è una vecchia versione del documento!
Encoder rotativi meccanici
Cosa sono
Usati per il comando di manopole al posto dei potenziometri. Differenze principali:
- hanno una cosa senza fine
- generano un segnale digitale invece che analogico
- possono avere maggiore precisione e uniformità nel funzionamento
Al loro interno sono presenti due contatti striscianti e un disco che ruota solidalmente con l'albero/manopola con una serie di zone conduttive e isolanti che si alternano. Durante la rotazione i due contatti si aprono e chiudono generando due segnali rettangolari in quadratura. Da questi è possibile risalire a:
- velocità, contando gli impulsi per giro
- posizione relativa, contando gli impulsi
- verso di rotazione, osservando quale dei due segnali è in anticipo rispetto all'altro
Le caratteristiche principali sono:
- numero impulsi per giro
- eventuale presenza di un ulteriore contatto azionato dalla pressione lungo l'asse della manopola
- movimento “a scatti” per dare un feedback a chi aziona l'encoder
Principali differenze rispetto agli encoder ottici:
- sono meno costosi
- non richiedono una tensione di alimentazione fissa
- hanno minore risoluzione
- hanno minore affidabilità e durata nel tempo dovuta ad attrito e usura
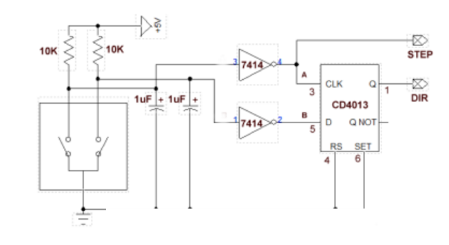
- richiedono circuiti antirimbalzo
La figura seguente mostra un circuito antirimbalzo per encoder.
Risorse
- paragrafo 5 unità 14-1 sul libro di testo
- Guida agli encoder di un produttore
- simulazione Multisim con circuito antirimbalzo
encoder.1521734505.txt.gz · Ultima modifica: (modifica esterna)

