Questa è una vecchia versione del documento!
Avviamento e controllo del un motore asincrono trifase
I motori asincroni hanno una serie di difetti importanti:
- allo spunto assorbono molta corrente (anche 5 volte più del normale)
- allo spunto le prestazioni meccaniche non sono buone (la coppia sviluppata è minore di quella che si ottiene una volta avviato)
- non è possibile regolare la velocità a regime
- non è possibile regolare l'avviamento, che può essere troppo brusco o troppo lento (dipende dalle caratteristiche di motore e carico)
L'elevato assorbimento di corrente può essere problematico quando si utilizzano motori di media/grande potenza perché la corrente produce cadute di tensione che si ripercuotono su tutto l'impianto. Oltre a ciò, anche nelle applicazioni che prevedono una velocità a regime costante, può essere desiderabile regolare l'avviamento per renderlo più dolce o più rapido.
Per risolvere questi problemi esistono varie soluzioni; le più diffuse sono:
- l'avviamento stella-triangolo
- l'azionamento con inverter
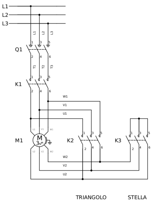
Avviamento stella triangolo
Questa soluzione, sempre meno utilizzata, consiste in un avviamento a tensione ridotta a cui segue una commutazione a piena tensione prima di raggiungere la velocità di regime. Si tratta di una soluzione realizzabile con componenti elettromeccanici (tre contattori e un temporizzatore) e un motore che funzioni a triangolo con la tensione di rete (la targa riporterà Δ/Y 400V/690V).
L'avviamento a stella fa si che gli avvolgimenti del motore siano sottoposti a una tensione ridotta di un fattore √3, mentre coppia e corrente si riducono di un fattore 3. L'avviamento avviene dunque con correnti tre volte più basse ma anche con coppia inferiore. Quando parte il motore si eccita la bobina di un temporizzatore con ritardo all'inserzione; questo, opportunamente regolato, comanda la commutazione a stella per tornare ad applicare piena tensione dopo la partenza.
In figura il circuito di potenza di un avviamento stella-triangolo.
Di seguito il circuito di comando e segnalazione.
E' bene insistere sul fatto che l'avviamento stella-triangolo non è sempre utilizzabile; va bene per avviare carichi che richiedano bassa coppia allo spunto (ad esempio ventilatori) o una partenza più dolce rispetto a quella a piena tensione ma non per carichi che richiedano coppia elevata allo spunto.


